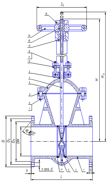
Герметичность затвора по ГОСТ 9544-93 класс С, D.
Уплотнение шпинделя – сальниковое. В верхнем положении шпиндель имеет уплотнение по конической поверхности в крышке.
Управление задвижки ручное (маховиком).
При заказе указывать: наименование изделия, параметры рабочей среды, размер номинальный (условный проход) (DN), номинальное (условное) давление (PN), обозначение изделия, исполнение по материалу, необходимость дополнительных испытаний.
Пример обозначения при заказе (и в другой документации) задвижки DN 300 мм PN 10 кгс/см2 из чугуна Сч 18 на воду и пар:
Задвижка чугунная параллельная ЧПЗ 300-10 DN 300 мм PN 10 кгс/см2 30ч6бр.
Пример обозначения при заказе (и в другой документации) задвижки DN 400 мм Pраб. 6 кгс/см2 из чугуна Сч 18 на топливный газ:
Задвижка чугунная параллельная ЧПЗ 400 DN 400 мм Pраб. 6 кгс/см2 30ч7бр.
ЧПЗ основные размеры, мм
| DN | L | D | D1 | D2 | H | H1 | h | b | d | n | D0 | Масса, не более, кг. |
| 300 | 500 | 440 | 400 | 370 | 975 | 1285 | 4 | 25 | 22 | 12 | 360 | 242 |
| 350 | 550 | 500 | 460 | 430 | 1120 | 1480 | 4 | 26 | 22 | 16 | 400 | 325 |
| 400 | 600 | 565 | 515 | 482 | 1120 | 1480 | 4 | 28 | 26 | 16 | 400 | 340 |
НОМЕНКЛАТУРА ЧУГУННЫХ ПАРАЛЛЕЛЬНЫХ ЗАДВИЖЕК
| Обозначение изделия (типоразмер) | Обозначение типа (таблица фигур) | DN, мм. | Давление, кгс/см2 | Класс герметичности | Область применения |
| ЧПЗ 300-10 350-10 400-10 |
30ч6бр | 300 350 400 |
PN 10 | D | Температура рабочей среды до плюс 225С |
| ЧКЗ 300 350 400 |
30ч7бк | 300 350 400 |
Рраб.6 | С | Температура рабочей среды до плюс 100С |
Расшифровка обозначения ЧПЗ 350-10 :
ЧПЗ — Тип
350 – (DN) Номинальный размер (условный проход)
10 – (РN) Номинальное (условное) давление
Расшифровка обозначения ЧПЗ 400:
ЧПЗ — Тип
Отсутствие номинального (условного) давления означает рабочее давление равное 6 кгс/см2
ПОКАЗАТЕЛИ НАЗНАЧЕНИЯ
| Обозначение типа | 30ч6бр | 30ч7бк |
| Рабочие среды | Вода и пар | Топливный газ |
| Температура рабочей среды | до плюс 225С | до плюс 100С |
ИСПОЛНЕНИЕ ПО РАБОЧИМ СРЕДАМ
| № позиции | Наименование детали | 30ч6бр | 30ч7бк |
| 1 | Корпус | Чугун Сч 18 | Чугун Сч 18 |
| 3 | Диски | Чугун Сч 18 | Чугун Сч 18 |
| 4 | Клин | Чугун Сч 18 | Чугун Сч 18 |
| 5 | Шпиндель | Сталь 20Х13 | Сталь 20Х13 |
| 6 | Прокладка | Паронит ПМБ | Паронит ПМБ |
| 7 | Крышка | Чугун Сч 18 | Чугун Сч 18 |
| 8 | Гайка | Сталь 25 | Сталь 25 |
| 9 | Шпилька | Сталь 35 | Сталь 35 |
| 10 | Набивка сальника | АП 31 | АП 31 |
| 11 | Сальник | Чугун Сч 18 | Чугун Сч 18 |
| 12 | Гайка | Сталь 25 | Сталь 25 |
| 13 | Болт откидной | Сталь 35 | Сталь 35 |
| 14 | Втулка ходовая | Лц 40С | Лц 40С |
| 15 | Маховик | Чугун Сч 18 | Чугун Сч 18 |
| 16 | Контргайка | Чугун Сч 18 | Чугун Сч 18 |
| 17 | Шпонка | Сталь шпоночная | Сталь шпоночная |
| 18 | Кольцо уплотнительное | ЛЦ32Мц1, 5С20 | — |

МБУ-125
Агрегат АР32/40М
УРБ-3А3
1БА15
Агрегат АР60
МБУ-160
МБУ-140
Вертлюг БА15-33Г
Вертлюг БУ-50БР-16СБ
Вертлюг АР-60
Вертлюг ВП-50/60
Вертлюг ВБ-80, ВБ-125
Вертлюг ВЭ-50, ВЭ-60, ВЭ-80, ВЭ-100
Ключ стопорный КСМ
АПР2-ВБМ
Ключ КШЭ
ПКР-125х560
АПР2-ГП
Ключ КЦН
Спайдер СПГ
Ключ КОТ
Ключ КТГУ
Ключ КМУ
Ключ КМБ
Ключ ПБК-4
Ключ ГКШ-1200
Ключ КПТ
Ключ КБГ-2
Ключ Oil Country
АКБ-4
БНМ-16
Агрегат АР50
АНБ-22
АРБ-100
НБ-125
ЦА-320
НЦ-320
УНБТ-950
НБ-32
НЦ-320
НБ-50
ЭХЛ
ЭШН
ЭТА-50П
КМ
Гидроротор Р-250
Ротор РУП-560
Гидроротор А50
Ротор 410
Ротор РУ80х400
Ротор 250
Обсадная труба ГОСТ 633-80
Бурильная труба
Труба НКТ
Труба НКТ (б/у)
