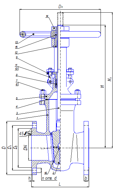
В задвижках применяется двухдисковый клин.
Герметичность затвора по ГОСТ 9544-93 класс С (по умолчанию).
Уплотнение шпинделя – сальниковое. В верхнем положении шпиндель имеет уплотнение по конической поверхности в крышке.
Управление задвижки ручное (маховиком).
При заказе указывать: наименование изделия, параметры рабочей среды, размер номинальный (условный проход) (DN), номинальное (условное) давление (PN), обозначение изделия, исполнение по материалу, необходимость дополнительных испытаний.
По заказу потребителя исполнение фланцев может быть любым в соответствии с ГОСТ 12815-80.
Пример обозначения при заказе (и в другой документации) задвижки DN 50 мм PN 16 кгс/см2 из стали 12Х18Н9ТЛ:
Задвижка стальная клиновая СКЗ 50-16-02 DN 50 мм PN 16 кгс/см2 30нж41нж.
Рабочее положение задвижек на горизонтальном трубопроводе – с ручным управлением маховиком – любое, приводные — приводом вверх (допускается отклонение на 45º в любую сторону), на вертикальном – любое. При установке приводной задвижки на трубопроводе, необходимо предусмотреть дополнительную опору под электропривод.
Внимание! Задвижки, предназначенные для газообразных, взрывопожароопасных и токсичных сред, после гидроиспытаний дополнительно испытываются воздухом. При заказе необходимо делать пометку: «газ».
30с41нж аналогична 31с41нж, 31с38нж, 30с50нж, 31с25нж
30лс41нж1 аналогична 31лс41нж, 30лс41нж, 30с41нж1, 31лс25нж
30нж41нж аналогична 31нж41нж, 30нж41нж2, 31нж38бк, 30нж50нж, 30нж93нж, 31нж25нж
30нж41нж1 аналогична 31нж41нж1, 30нж41нж1, 31нж38бк
СКЗ PN 16 основные размеры, мм
| DN | L | D | D1 | D2 | H | H1 | h | b | d | n | D0 | Масса, не более, кг. |
| 50 | 180 | 160 | 125 | 102 | 285 | 369 | 3 | 14 | 18 | 4 | 160 | 17 |
| 80 | 210 | 195 | 160 | 133 | 373 | 460 | 3 | 17 | 18 | 4 | 200 | 31 |
| 100 | 230 | 215 | 180 | 158 | 488 | 603 | 3 | 17 | 18 | 8 | 280 | 48 |
| 150 | 280 | 280 | 240 | 212 | 645 | 815 | 3 | 21 | 22 | 8 | 280 | 84 |
| 200 | 292 | 335 | 295 | 268 | 800 | 1030 | 3 | 23 | 22 | 12 | 360 | 120 |
НОМЕНКЛАТУРА ЗАДВИЖЕК PN 16 кгс/см2
| Обозначение изделия (типоразмер) | Обозначение типа (таблица фигур) | DN, мм. | Материал корпуса | Область применения |
| СКЗ 50-16 80-16 100-16 150-16 200-16 |
30с41нж | 50 80 100 150 200 |
Сталь 20Л | Температура рабочей среды от минус 40С до плюс 425С, окружающего воздуха не ниже минус 40С |
| СКЗ 50-16-01 80-16-01 100-16-01 150-16-01 200-16-01 |
30лс41нж1 | 50 80 100 150 200 |
Сталь 20ХН3Л | Температура рабочей среды от минус 60С до плюс 425С, окружающего воздуха не ниже минус 60С |
| СКЗ 50-16-02 80-16-02 100-16-02 150-16-02 200-16-02 |
30нж41нж | 50 80 100 150 200 |
Сталь 12Х18Н9ТЛ | Температура рабочей среды от минус 60С до плюс 565С, окружающего воздуха не ниже минус 60С |
| СКЗ 50-16-03 80-16-03 100-16-03 150-16-03 200-16-03 |
30нж41нж1 | 50 80 100 150 200 |
Сталь 12Х18Н12М3ТЛ | Температура рабочей среды от минус 60С до плюс 565С, окружающего воздуха не ниже минус 60С |
Расшифровка обозначения СКЗ 50-16-02 :
СКЗ — Тип
50 – (DN) Номинальный размер (условный проход)
16 – (РN) Номинальное (условное) давление
02 – Материальное исполнение
ПОКАЗАТЕЛИ НАЗНАЧЕНИЯ
| Обозначение типа | 30с41нж | 30лc41нж1 | 30нж41нж | 30нж41нж1 |
| Рабочие среды | Вода, воздух, пар, аммиак, природный газ, нефть, нефтепродукты, жидкие и газообразные углеводородные среды, не агрессивные к стали 20Л. Скорость коррозии не более 0,2 мм/год |
Вода, воздух, пар, аммиак, природный газ, нефть, нефтепродукты, жидкие и газообразные углеводородные среды скорость коррозии в которых стали 20ХНЗЛ не более 0,2 мм/год | Вода, воздух, аммиак, пар, природный газ влажный, нефтепродукты, содержащие сероводород до 0,1%, жидкие и газообразные углеводороды, нефтехимические среды, скорость коррозии в которых стали 12Х18Н9ТЛ не более 0,2 мм/год. | Вода, воздух, аммиак, пар, природный газ влажный, нефтепродукты, содержащие сероводород до 0,1%, жидкие и газообразные углеводороды, нефтехимические среды, скорость коррозии в которых стали 12Х18Н12М3ТЛ не более 0,2 мм/год. |
| Температура рабочей среды | от минус 40С до плюс 425С | от минус 60С до плюс 425С | от минус 60С до плюс 565С | от минус 60С до плюс 200С |
| Условия эксплуатации ГОСТ 15150-69 | минус 40С | минус 60С | минус 60С | минус 60С |
МАТЕРИАЛЬНОЕ ИСПОЛНЕНИЕ
| № позиции | Наименование детали | 30с41нж | 30лc41нж1 | 30нж41нж | 30нж41нж1 |
| 1 | Корпус | Сталь 20Л | 20ХН3Л | 12Х18Н9ТЛ | 12Х18Н12М3ТЛ |
| 2 | Диски | Сталь 20 | 12Х18Н9Т | 12Х18Н9Т | 10Х17Н13М2Т |
| 3 | Шпиндель | Сталь 20Х13 | 12Х18Н9Т | 12Х18Н9Т | 10Х17Н13М2Т |
| 4 | Прокладка | Паронит ПА | Паронит ПА | Паронит ПА | Фторопласт |
| 5 | Крышка | Сталь 20 | 20ХН3Л | 12Х18Н9ТЛ | 12Х18Н12М3ТЛ |
| 6 | Гайка | Сталь 25 | 35Х, 20ХН3А | 12Х18Н9Т | 12Х18Н9Т |
| 7 | Шпилька | Сталь 35 | 40Х, 20ХН3А | 45Х14Н14В2М | 45Х14Н14В2М |
| 8 | Набивка сальника | ТРГ | ТРГ | ТРГ | Фторопласт |
| 9 | Сальник | Сталь 20Л | 12Х18Н9ТЛ | 12Х18Н9ТЛ | 12Х18Н12М3ТЛ |
| 10 | Гайка | Сталь 25 | 35Х, 20ХН3А | 12Х18Н9Т | 12Х18Н9Т |
| 11 | Болт откидной | Сталь 35 | 40Х, 20ХН3А | 45Х14Н14В2М | 45Х14Н14В2М |
| 12 | Втулка резьбовая | Лц 40С | Лц 40С | Лц 40С | Лц 40С |
| 13 | Маховик | Сталь 20Л | Сталь 20ХН3Л | Сталь 20ХН3Л | Сталь 20ХН3Л |
| 14 | Контргайка | Сталь 35 | Сталь 35Х | Сталь 35Х | Сталь 35Х |
| 15 | Шпонка | Сталь 40Х | Сталь 40Х | Сталь 40Х | Сталь 40Х |
| 16 | Ось | Сталь 20 | 12Х18Н9Т | 12Х18Н9Т | 10Х17Н13М2Т |
| Наплавка на кольце в корпусе Наплавка на дисках |
тип 20Х13 на сталь 20 |
ЦН-6, ЦН-12М ЦН-12М |
ЦН-6, ЦН-12М ЦН-12М |
ЦН-6, ЦН-12М ЦН-12М |

МБУ-125
Агрегат АР32/40М
УРБ-3А3
1БА15
Агрегат АР60
МБУ-160
МБУ-140
Вертлюг БА15-33Г
Вертлюг БУ-50БР-16СБ
Вертлюг АР-60
Вертлюг ВП-50/60
Вертлюг ВБ-80, ВБ-125
Вертлюг ВЭ-50, ВЭ-60, ВЭ-80, ВЭ-100
Ключ стопорный КСМ
АПР2-ВБМ
Ключ КШЭ
ПКР-125х560
АПР2-ГП
Ключ КЦН
Спайдер СПГ
Ключ КОТ
Ключ КТГУ
Ключ КМУ
Ключ КМБ
Ключ ПБК-4
Ключ ГКШ-1200
Ключ КПТ
Ключ КБГ-2
Ключ Oil Country
АКБ-4
БНМ-16
Агрегат АР50
АНБ-22
АРБ-100
НБ-125
ЦА-320
НЦ-320
УНБТ-950
НБ-32
НЦ-320
НБ-50
ЭХЛ
ЭШН
ЭТА-50П
КМ
Гидроротор Р-250
Ротор РУП-560
Гидроротор А50
Ротор 410
Ротор РУ80х400
Ротор 250
Обсадная труба ГОСТ 633-80
Бурильная труба
Труба НКТ
Труба НКТ (б/у)
